ZUR PRODUKTÜBERSICHT

Varicor Waschrinne Modell Active 550

Active

Die Waschrinne ACTIVE 550 wurde speziell für Waschräume und -bereiche in Industriebauten entwickelt. Mit dem abgeschrägten Becken eignet sie sich besonders gut für die effektive Reinigung von Armen und Oberkörper, wie es beispielsweise beim Einsatz in Werks- oder Montagehallen nötig ist. ACTIVE kann wahlweise mit Armaturen oder Wandauslauf eingesetzt werden.

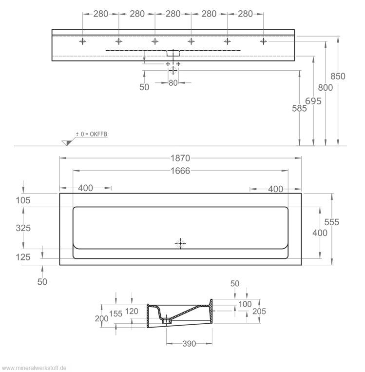
  • Frontblendenhöhe 200 mm, hintere Aufkantung 50 mm
  • Angeformte Wischleiste mit Hohlkehle
  • Rückwand für Stockschraubenbefestigung
  • Ohne Überlauf
  • Fixlänge: 1870 mm
  • Mit Seitenteilen, fugenlos eingeformt, auf beiden Seiten
Technische Zeichnung Akzent

Durch die komplexe und massive Form der Waschrinne mit Schwallrand, Aufkantung mit Hohlkehle und langer Frontschürze können sich zwischen den einzelnen Rinnen gewisse Fertigungstoleranzen, die produktionstechnisch nicht zu vermeiden sind, bilden. Somit ergeben sich bei den beiden Bezugspunkten Aufkantung mit Hohlkehle und Schwallrand zwangsläufig Passungenauigkeiten, so dass wir den Einsatz bei diesem Waschtisch nur als Einzelanlage, bzw. bei Mehrfachanlagen die Anodnung nur mit etwas Abstand zwischen den einzelnen Rinnen, empfehlen können.

Preis:
Brutto-Richtpreis von 1.860,00 bis 2.235,00 € zuzügl. Mwst.

Ausschreibungstext ACTIVE 550:
Waschrinne aus polymer-gebundenem Mineralwerkstoff VARICOR, homogenes, voll durchgefärbtes Material, ohne Oberflächenversiegelung, reparabel, in einem Stück nach Maß gegossen, mit/ohne Lochbohrung für Einlochbatterie, Aussenabmessungen: 1870x555 mm, Becken-Innenmaß 1656x400 mm, ohne Überlauf, vordere Abkantung 200 mm, angeformte Wischleiste mit Hohlkehle, Höhe 50 mm, mit Schwallrandkante Höhe 5 mm.

Fabrikat: KERAMAG

Modell: ACTIVE 550

Länge: 1870 mm (Fixmaß)

Tiefe: 555 mm

Befestigung: Stockschraubenrückwand

Farbe: (bitte Farbnamen angeben PDF Farbtabelle)


Technische Zeichungen als Download: Laden Sie sich die Zeichnung als DXF oder DWG herunter


1) Desinfektionsmittelbeständigkeit:
Labortechnische Untersuchungen haben ergeben, dass VARICOR gegenüber allen gebräuchlichen Desinfektionsmitteln zur Flächen- bzw. Händedesinfektion beständig ist (aktuelle  Liste der Desinfektionsmittel-Kommission des VAH - Verbund für angewandte Hygiene e.V.)

2) Antibakteriell:
VARICOR bewirkt bei den Standard-Weißtönen eine Keimreduktion von 99,9%. Gemäß der Norm JIS-Z gilt dieses Resultat als antibakteriell.

3) CE-Zertifiziert:
VARICOR-Sanitärbecken sind CE zertifiziert und entsprechend gekennzeichnet. Ein Prüfkriterium dafür ist der Wechselwassertest von 70°C/15°C bei tausend Zyklen. Die in ihrer Beschaffenheit identischen Küchenbecken bewältigen diesen Test sogar mit 90°C/15°C ohne jede Beanstandung.
Ein weiteres Prüfkriterium ist die Reinigungsfreundlichkeit: Die Waschbecken müssen eine glatte und leicht zu reinigende Oberfläche aufweisen, die frei von scharfen Innenecken ist.

Varicor Tafelware weiß mit Materialstärke 12 mm entspricht den Vorgaben der DIN 4102-B1 Schwerentflammbarkeit und verfügt über ein offizielles  "Allgemeines bauaufsichtliches Prüfzeugnis".


ZUR PRODUKTÜBERSICHT

Pollecker Finoflex GmbH
Daniel-Eckhardt-Str. 42 | 45356 Essen | Tel: 0201 - 8 33 86 20 | Fax: 0201 - 8 34 53 20 | info@mineralwerkstoff.de

 

Varicor Logo
Pollecker Finoflex GmbH
Tel: 0201 - 8 33 86 20
Fax: 0201 - 8 34 53 20
E-Mail:info@mineralwerkstoff.de