ZUR PRODUKTÜBERSICHT

Modell Stufenwaschrinne STWR

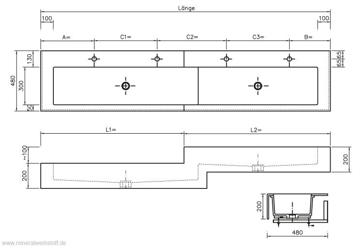
Stufenwaschrinne STWR

Die Stufenwaschrinne STWR eignet sich z. B. als Wasch- und Spiellandschaft in Kindergärten und Schulen, sowie als Waschreihe für Gewerbebauten. Sie kann sowohl als Einzel- oder Reihenanlage, aber auch als mehrstufige Anlage eingesetzt werden. Beckenform eckig, maßvariabel zwischen 1500 und 4600 mm (grössere Längen auf Anfrage möglich). Optionale Stauscheibe erhältlich.

Technische Zeichnung Stufenwaschrinne STWR

Mindestmaß ab 1500 mm

Bei der Auswahl der Ab- und Überlaufverbindungen ist darauf zu achten, dass die einzelnen Öffnungen der Ab- und Überlaufsiebe im Durchmesser nicht größer als 7,9 mm sind. Dies ist eine Vorgabe gemäß DIN EN 1176 um die Kinder vor Verletzungen zu schützen (Durchstecken der Finger).  Die Fa. Viega bietet für bereits vorhandene Ablaufverbindungen, die diese Vorgabe nicht einhalten, entsprechende Siebeinsätze an, die von oben eingelegt werden können.

Preis:
Brutto-Richtpreis ab. ca. 3.800,00 € zuzügl. Mwst..

Ausschreibungstext Stufenwaschrinne STWR
Waschtischanlage als Stufenwaschrinne, aus polymer-gebundenem Mineral-Massivwerkstoff VARICOR, homogenes, voll durchgefärbtes, porenloses Material, ohne Oberflächenversiegelung, reparabel und antibakteriell², beständig gegenüber allen gebräuchlichen Chemikalien und Desinfektionsmitteln¹, säurebeständig und hitzebeständig gegen Zigarettenglut, matt geschliffen, Plattenstärke 12 mm, rechteckig, mit fugenlos angeformter Frontblende Höhe 200 mm ohne Wandanschlußprofil, mit rechteckigem Unterbaubecken mit Höhenversatz als Wasserfallmodul mit zwei Standard Ablauf Ø 46 mm, mittig, CE-konform³, (bei grösseren Längen und mit mehr als drei Hahnlöchern empfiehlt sich ggf. auf 2 oder mehr Abläufe auszuweichen) ohne Überlauf, mit Lochbohrungen für Waschtisch-Einlochbatterie, Durchmesser 35 mm, mittig. Stauscheibe aus Plexiglas optional erhältlich.

Fabrikat: KERAMAG

Modell: STUFENWASCHRINNE STWR

Länge: ab 1500 mm (gem. baulichen Erfordernissen)

Tiefe: 480 mm (mit Hahnlochbohrungen)
          400 mm (ohne Hahnlochbohrungen, bei Verwendung von Wandarmaturen)

Befestigung: Wandbefestigung mit Spezialkonsolen

Farbe: (bitte Farbnamen angeben PDF Farbtabelle)


Technische Zeichungen als Download: Laden Sie sich die Zeichnung als DXF oder DWG herunter


Stufenwaschrinne STWR1
Stufenwaschrinne STWR mit Stauscheibe 2
Stufenwaschrinne STWR mit Stauscheibe 3
Stufenwaschrinne STWR mit Stauscheibe 4
Stufenwaschrinne STWR mit Stauscheibe 5
Stufenwaschrinne STWR Stauscheibe Detail 6
Stufenwaschrinne STWR Stauscheibe Detail 7
Stufenwaschrinne STWR Stauscheibe Detail 8
Stufenwaschrinne STWR Stauscheibe Dteail 9
Stufenwaschrinne STWR Detail 10
Stufenwaschrinne STWR Detail 11
Stufenwaschrinne STWR Schnitt 12
Stufenwaschrinne STWR rot 13
STWR 2700mm mit sechs Hahnlochbohrungen 14
STWR kurz mit schmalem Rand C=400mm 15
STWR mit farbiger Frontblende Apple 16
STWR mit farbiger Frontblende Blau 17


1) Desinfektionsmittelbeständigkeit:
Labortechnische Untersuchungen haben ergeben, dass VARICOR gegenüber allen gebräuchlichen Desinfektionsmitteln zur Flächen- bzw. Händedesinfektion beständig ist (aktuelle  Liste der Desinfektionsmittel-Kommission des VAH - Verbund für angewandte Hygiene e.V.)

2) Antibakteriell:
VARICOR bewirkt bei den Standard-Weißtönen eine Keimreduktion von 99,9%. Gemäß der Norm JIS-Z gilt dieses Resultat als antibakteriell.

3) CE-Zertifiziert:
VARICOR-Sanitärbecken sind CE zertifiziert und entsprechend gekennzeichnet. Ein Prüfkriterium dafür ist der Wechselwassertest von 70°C/15°C bei tausend Zyklen. Die in ihrer Beschaffenheit identischen Küchenbecken bewältigen diesen Test sogar mit 90°C/15°C ohne jede Beanstandung.
Ein weiteres Prüfkriterium ist die Reinigungsfreundlichkeit: Die Waschbecken müssen eine glatte und leicht zu reinigende Oberfläche aufweisen, die frei von scharfen Innenecken ist.

Varicor Tafelware weiß mit Materialstärke 12 mm entspricht den Vorgaben der DIN 4102-B1 Schwerentflammbarkeit und verfügt über ein offizielles  "Allgemeines bauaufsichtliches Prüfzeugnis".


ZUR PRODUKTÜBERSICHT

Pollecker Finoflex GmbH
Daniel-Eckhardt-Str. 42 | 45356 Essen | Tel: 0201 - 8 33 86 20 | Fax: 0201 - 8 34 53 20 | info@mineralwerkstoff.de

 

Varicor Logo
Pollecker Finoflex GmbH
Tel: 0201 - 8 33 86 20
Fax: 0201 - 8 34 53 20
E-Mail:info@mineralwerkstoff.de